johnwoo's turbo [56k be gone]

Ligt je MR2 tot het laatste schroefje uit elkaar omdat hij heftig getuned wordt ? Of wordt je tweezitter volledig gerestaureerd voor de eeuwigheid ? Hier kun je je project delen met de andere leden...

Moderator: Pieten

User avatar
Green Goblin
Posts: 12039
Joined: 22 Dec 2006, 06:55
Type MR2: AW11
Contact:
Mooi project.

En dat 56k be gone valt wel mee, aangezien je blijkbaar 1 van de weinigen bent die zijn camera wel op een normaal formaat foto weet te zetten...;D
User avatar
johnwoo
Zere vingers van het typen..
Posts: 1025
Joined: 27 Dec 2006, 19:00
Type MR2: AW11
Contact:
Bremo wrote:Lijkt me knap om dat goed aan de gang te krijgen. Bij lage (parkeer) snelheid heb je snelheidsverschil tussen de achterwielen.. maar wil je geen onderbrekingen. Dus zou je misschien een tollerantie moeten hebben.. of een andere sensor ofzo. In combinatie met een paar andere parameters kun je misschien gebruik maken van een tip over sensor van een motorfiets..
In bochten heb je links-rechts inderdaad verschil, maar dat heb je bij de voorwielen ook dus als zowel voor als achter dat verschil hebben is er geen tractieverlies.

Ik ben er met een paar oud-medestudenten ff naar aan het kijken. Het algoritme is wel te doen, evenals het uitlezen van de wheel speeds. Het lastigst blijkt de injectoraansturing te zijn, of eigenlijk dus het onderbreken daarvan. Je wil absoluut geen bestaande puls onderbreken omdat je dan arm gaat lopen. We hebben nu bedacht het met een pulsteller te doen die een interrupt geeft op een rising edge (aan het eind van de injectorpuls) en dan direct een gate/relais te setten of de volgende puls onderbroken wordt.
Nadeel is dat de gemiddelde microcontroller maar 2 of 3 pulstellers heeft, en wij hebben er sowieso 8 nodig: 4 om wheel speeds uit te lezen (hoeven geen interrupt te kunnen geven), en 4 om de injectorpulsen te detecteren (met interrupts). Eventueel nog een 9e om het toerental te lezen (maar die is niet per se nodig voor een werkende TC, zou het enkel wat beter afstelbaar maken).

Dat onderbreken zelf heeft ook nog wat voeten in de aarde. De ECU zet 10-14V continu op het ene draadje naar de injector, en trekt het andere naar ground om hem te laten squirten. We moeten nog een manier verzinnen om de injector geen ground te laten zien (en dus de puls te onderbreken) maar toch zelf het einde van een onderbroken puls te blijven detecteren. Gaat nog iemand met wat meer verstand van elektro naar kijken :P (een van die oud-medestudenten kent iemand in automotive die al praktijkervaring heeft met TC-ontwerp).

Voorlopig lijkt het me wel een cool project om eens te proberen :)
Bremo
Je hebt er al goed over negedacht lees ik :dux-blij_thumb-up:

Alleen vraag ik me af waarom je de inspuiting zou onderbreken en niet de ontsteking. Als je de injectie gewoon zijn werk laat doen kom je geen koeling te kort. Het is dan net weer even zien wat je uitlees apparatuur doet (lambda, uitlaatgastemperatuurmeter?) als er onverbrand mengsel in de uitlaat komt (en misschien alsnog verbrand :D)
User avatar
johnwoo
Zere vingers van het typen..
Posts: 1025
Joined: 27 Dec 2006, 19:00
Type MR2: AW11
Contact:
Van de verschillende manieren om het vermogen te beperken is fuel-cut veruit de netste/beste. Mits je een cilinder niet twee of meer keer achtereen onderbreekt krijg je ook geen scavenging, en verder heeft het niet echt grote nadelen.

Enkele andere methodes:
- Spark cut: weliswaar makkelijker aan te sturen met een controller (enkel draadje ECU -> igniter onderbreken), maar geeft veel herrie in de uitlaat vanwege de onverbrande benzine (denk aan 2-step launch control). Een eventuele kat zou hiermee snel sterven. Niet geschikt voor stock auto's dus.
- Enrichment: zo werkt de MegaSquirt TC; die maakt de injector pulsen zo breed dat de motor zo extreem rijk gaat lopen dat hij vermogen verliest. Nadelen; je moet met de pulstiming gaan klooien; zwarte rook uit de uitlaat en mogelijk lichte knallen.
- Extra throttle body: zo werkt de stock TC op de gen3 MR2's. Een extra TB beperkt de luchttoevoer. Nadelen: niet te bouwen met enkel een controller zonder het inlaattraject aan te passen; is erg traag met ingrijpen vergeleken met fuel / spark cut.
- Remmen: is erg moeilijk te bouwen met een controllertje (je zou het ABS systeem kunnen gebruiken), remmen worden heet bij lang/veel gebruik en slijten harder, kan voertuigstabiliteit beinvloeden (te hard remmen en je hebt wederom gripverlies maar dan vanwege blokkeren), ook traag in vergelijking met fuel/spark cut.

En dan fuel cut: vrijwel directe vermogensafname (snel ingrijpen bij slip), niet schokkerig, geen knallen in of rook uit de uitlaat, kat blijft leven, is met een controllertje in de ECU en ABS harness te bouwen, en gunstiger voor je brandstofverbruik dan spark cut of enrichment :P Eigenlijk het enige nadeel is dat de injector onderbreking dus wat moeilijker is dan de vonk onderbreken... De RaceLogic TC gebruikt overigens ook fuel cut, en optioneel tevens spark cut (maar waarom je die optie zou nemen is mij niet helemaal duidelijk; een "wasted spark" in een arbeidsslag zonder benzine kan geen kwaad).
roald
waar staat die 56k be gone voor eigenlijk?
User avatar
Surferdude
Posts: 7705
Joined: 01 Jan 1970, 01:00
Contact:
Dat er grote (of veel) foto's geplaatst zijn en dat als je nog met een 56K modem met internet verbonden bent dat je ff de tijd moet hebben....;D
roald
oke
User avatar
johnwoo
Zere vingers van het typen..
Posts: 1025
Joined: 27 Dec 2006, 19:00
Type MR2: AW11
Contact:
In dit geval dus veel foto's want extreem groot zijn ze niet :P
Zullen er ook nog wel een zootje bijkomen :)
User avatar
Surferdude
Posts: 7705
Joined: 01 Jan 1970, 01:00
Contact:
Het handige van http://www.tinypic.com is dat je voor uploaden je fotoformaat kan wijzigen, klik op de site op "verkleinen" en je ziet waarom wij moderators zo blij met Tinypic zijn...;D
User avatar
TomMR2
Ik lul al aardig mee !
Posts: 314
Joined: 27 Dec 2006, 22:49
Surferdude wrote:Het handige van www.tinypic.com is dat je voor uploaden je fotoformaat kan wijzigen, klik op de site op "verkleinen" en je ziet waarom wij moderators zo blij met Tinypic zijn...;D
Altijd over het hoofd gezien, leek me niet zo belangrijk in de vluggigheid ;D
User avatar
johnwoo
Zere vingers van het typen..
Posts: 1025
Joined: 27 Dec 2006, 19:00
Type MR2: AW11
Contact:
Hmm, weet iemand hoeveel tandjes een ABS rotor heeft? Ik moet weten hoeveel pulsjes ik ongeveer maximaal (bij 250 km/h dus) kan verwachten zodat ik kan bepalen hoe snel m'n controller moet zijn om de interrupts allemaal af te kunnen handelen...
Aan de plaatjes in de BGB te oordelen zullen het er ongeveer 36~40 zijn, maar ik kan geen exact nummer vinden...
User avatar
masterpivo
Zere vingers van het typen..
Posts: 633
Joined: 31 Jan 2007, 22:52
Type MR2: AW11
Hier wordt iig wel met veel verstand van zaken gewerkt! Ik blijf dit project op de voet volgen :)
ST185pinjo
Knop gevonden hoor !
Posts: 16
Joined: 22 Feb 2007, 12:50
Type MR2: AW11
Hey Paul,

Ziet er netjes uit al die spullen. Je pakt het nog wel een stuk beter/grondiger aan dan ik, TOP!8)

Ik heb alles voor mijn project al binnen. FF wachten nog tot de tijd daar is.

Ik moet zeggen dat ik lang op die KO-kit heb moeten wachten, maar het is ook een waar kunstwerk.;D

Ik kan bijna niet meer wachten tot alles gemonteerd is en ik over de weg kan peunen. Als alles volgens plan verloopt ben ik week 25 klaar, en dan meeten we even, oke?

Suc6 met het bouwen.:dux-blij_thumb-up:
User avatar
johnwoo
Zere vingers van het typen..
Posts: 1025
Joined: 27 Dec 2006, 19:00
Type MR2: AW11
Contact:
Hey Jef, ik ben helemaal voor een minimeet :P
De laatste loodjes (vooral het wachten) zullen wel het zwaarst wegen nu je alles binnen hebt :P


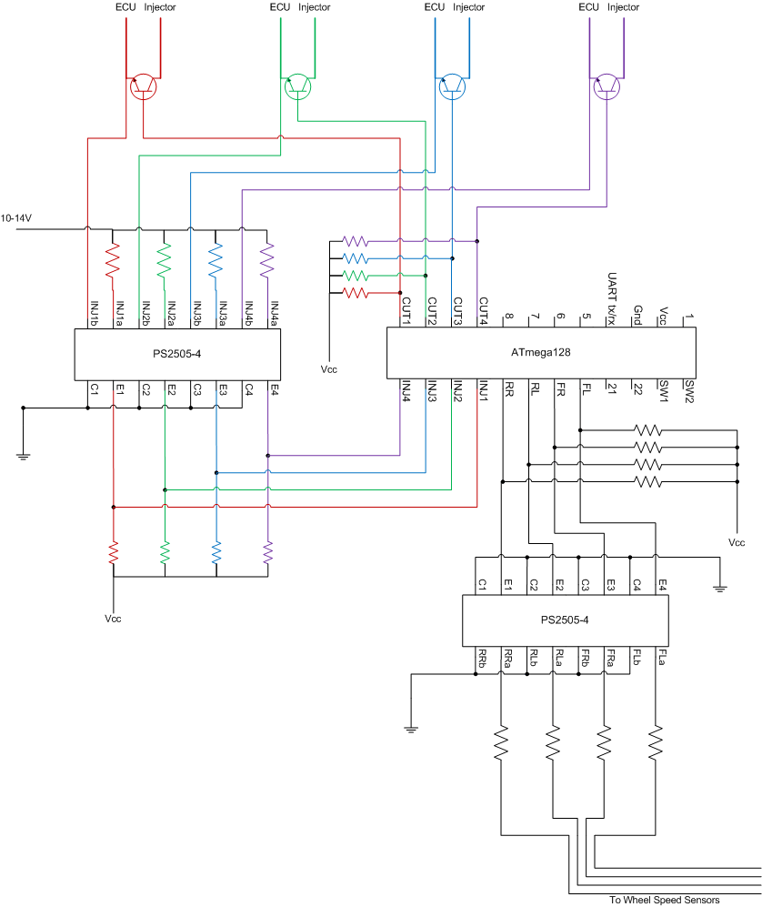
Ondertussen hebben we al wat verder zitten brainstormen over dat traction control gebeuren, en het ziet ernaar uit dat het haalbaar is. We hebben al berekend hoe we injectorpulsdetectie kunnen doen (interrupt based), hoe we een injectorpuls kunnen stoppen zonder risico op arm lopen (de hele puls onderbreken dus), hoe we de wheel speeds kunnen uitlezen met een counter, hoe we een fuel-cut strategie kunnen opzetten om de slip te stoppen (met een PID feedback loop), en hoe we stap voor stap deze functies kunnen testen. Tot nu toe heeft dat dit ontwerpje opgeleverd (nog maar een concept met enkel de belangrijke onderdelen):
Image

Om e.e.a. te testen zal er waarschijnlijk wel een scope moeten worden aangeschaft om de injectorpulsen te analyseren en er zeker van te zijn dat er niks geks mee gebeurt. Zoiets bijvoorbeeld.

Waarschijnlijk gaan we hier wel een projectje van maken, en als het goed blijkt te werken zal er wellicht ook wel een markt voor zijn, voor een traction control systeem dat minder kost dan de RLTC en sneller kan ingrijpen dan de stock Toyota TC met z'n extra gasklep.

Overigens is een revlimiter ook te bouwen met die injectorpulsblokkering, dus met een extra clutch switch input en wat extra code is launch control dan ook te maken :lach:
User avatar
masterpivo
Zere vingers van het typen..
Posts: 633
Joined: 31 Jan 2007, 22:52
Type MR2: AW11
Het klinkt allemaal veelbelovend! Voor mij is het niks anders dan abacadabra, maar jij zal wel weten wat je doet :)
Roland
Wat je allemaal wel niet kan met een ATmega he, leuk project wordt dat.
Wat doen die PS2505-4 dingen?

Ga je er ook nog een potmetertje oid aanhangen om de gevoeligheid afstelbaar te maken? En hij moet natuurlijk ook wel uit kunnen.
Hoe ga je de wheel speed sensors doen? Reed switches?
User avatar
MR2DIE4
Ik lul al aardig mee !
Posts: 467
Joined: 28 Dec 2006, 12:32
Type MR2: AW11
Contact:
vet project aan het worden man! :::|
franksmits
Abracadabrah! Ik vind het knap waar je allemaal mee bezig bent :)
ST185pinjo
Knop gevonden hoor !
Posts: 16
Joined: 22 Feb 2007, 12:50
Type MR2: AW11
+1:huh: :*( . Gelukkig heb ik 4wd en niet zoveel vermogen. Zelfs met 4wd en een kleinere turbo op 1 bar heb ik wel eens mijn momentjes gehad.;) Gewoon een beetje verstandig zijn met het rechter pedaal.

Wel erg mooi als je het aan de praat krijgt. Kan je het niet uit een moderne sloopauto halen en dan aansluiten op de nemesis?
User avatar
johnwoo
Zere vingers van het typen..
Posts: 1025
Joined: 27 Dec 2006, 19:00
Type MR2: AW11
Contact:
Roland wrote:Wat je allemaal wel niet kan met een ATmega he, leuk project wordt dat.
Wat doen die PS2505-4 dingen?

Ga je er ook nog een potmetertje oid aanhangen om de gevoeligheid afstelbaar te maken? En hij moet natuurlijk ook wel uit kunnen.
Hoe ga je de wheel speed sensors doen? Reed switches?
De ATmega is mega handig ja :P Eigenlijk hebben we voor de code helemaal geen 128K nodig, maar de 128 is de kleinste die voldoende externe interrupts (minimaal 4) en counters (ook minimaal 4) heeft :P Interrupts heeft 'ie er zelfs 8 dus we zouden t/m V8 motoren kunnen ondersteunen. Ach ja, zo duur zijn die dingen ook weer niet, en nu hoeven we in ieder geval niet op ieder bitje te letten, en kunnen we nog eens wat leuks inbouwen (zoals ik zei, launch control of een revlimiter voor als je je auto uitleent :P of met een MAP sensor aan een ADC input en een solenoid aan een PWM output zouden we zelfs boost control kunnen bouwen!).

Die PS2505 is een optocoupler, de -4 zijn er 4 in een DIP package. Waarschijnlijk pakken we overigens een ander merk (ILQ74 van Infineon) maar idee blijft hetzelfde. Zo'n optocoupler is in feite een solid state relais en bestaat uit een LEDje en een lichtgevoelige transistor, en daar bereiken we twee dingen mee:
- Koppelen van de verschillende voltage circuits (injector circuit is 12V, ECU en onze eigen TC box zijn 5V, en van de wheel speed sensors weten we nog niet hoeveel volt ze genereren).
- Galvanische scheiding van de circuits; omdat het signaal met een lichtpuls wordt doorgegeven zijn de circuits galvanisch (elektrisch) volledig gescheiden, en kan (een storing in) het ene circuit het andere niet beinvloeden.

We willen de hoeveelheid toegestane slip inderdaad regelbaar maken, waarschijnlijk idd traploos (of nou ja traploos; 2^10 standen :P) met een potmetertje. Kan mooi met een kabeltje de cabine in, samen met een LEDje voor wanneer 'ie uit staat of aan het ingrijpen is. Uitzetten kan dan door de stelknop helemaal terug te draaien.

Verder komt er een RS232 poort op, ten eerste voor onszelf tijdens het ontwikkelen (debug info), ten tweede om afstelling/configuratie te kunnen doen (bv wheel speed sensors ijken en injector cut patronen definieren) en ten derde om het mogelijk te maken de firmware te updaten met een laptop/PC zonder dat de box bij ons aan de programmer hoeft.

Het uitlezen van de wheel speed sensors is nog niet helemaal duidelijk, omdat we (buiten de weerstandtoleranties ervan die in de BGB staan) niet weten hoeveel volts en amps die Hall sensor genereert. De bedrading wordt natuurlijk vrij lang (van ieder wiel naar de ABS computer, en vandaar naar de TC box) dus mogelijk verliezen we teveel volts om er nog het LEDje in de opto mee te laten branden. In dat geval moet er een signaalversterker bij. Bovendien moet de stroom groot genoeg zijn zodat de ABS computer zelf ook nog voldoende overhoudt om het signaal te kunnen lezen. Wordt nog uitgezocht ;)
Post Reply